XK3110-PLC-I型

XK3110-PLC-I型

[ 时间:2025-09-03 17:47:17 ]
XK3110-PLC-I型
  • 技术规格
  • 功能简介
  • 订购信息
  • 产品尺寸
  • 典型应用

“大屏触摸的电子称重仪表”

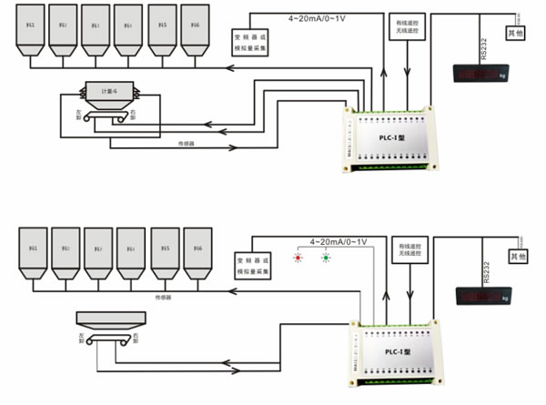
XK3110-PLC-I型电子称重仪表采用模块化设计,由控制器和显示器两部分组成,控制器采用导轨安装方式,安装在操作台(柜)的安装板上,采用高端单片微机和高精度采样技术,集称重、配料、控制于一体,独特的抗干扰、抗雷击措施,使XK3110-PLC-I可在恶劣的工业生产环境中可靠工作。显示器采用面板安装方式,安装在操作台(柜)的面板上;显示器和控制器之间通过专用电缆连接。XK3110-PLC-I 采用7寸或10寸触摸屏作为操作界面,动画形象,界面友好,功能强大。

免砝码标定功能;

独特的抗雷击措施;

可扩展连接计算机、打印机、数字大屏幕;

电源:220V±5%、50Hz;

功耗:5W;

显示器:DC16V~24V;

功耗:6W;

信号测量:

桥源:5V土5%;

分度数:100000d;

开关量输入:5路无源输入接口;

开关量输出:8路继电器输出接口;

模拟量输出:可输出4~ 20mA或0~10V信号,可连接模拟量采集设备或变频器;

显示:7寸或10寸触摸屏液晶,可显示图形,文字,动画;

通讯:1路RS232通讯接口,1路RS485通讯接口,可同时连接显示器和其他设备;


洛阳贝尔东方电气有限公司

地址:洛阳市太康东路369号恒生科技园A17-1栋

销售热线:0379-63377267  63377268  60168658

传真:0379-69991109

投诉电话:13803795952

邮箱:lybedf@126.com

邮编:471000

贝尔公众号 订阅号
贝尔服务号 服务号
©2021 洛阳贝尔东方电气有限公司    豫ICP备12026766号-5    网站XML   技术支持:尚贤科技